贝博艾弗森官网
中文版
|
|
|
|
贝博艾弗森官网
关于贝博艾弗森官网
企业简介
发展历程
贝博艾弗森官网
资质荣誉
产品中心
转舌锁
自动售货机锁
寄存柜锁
智能电子锁
贝博艾弗森官网:机箱机柜锁/把手锁
锁芯/按压锁
电脑锁
门锁芯
办公家具锁
重型挂锁/报警锁
其他锁具
贝博艾弗森官网
办公家居
自助终端
金融终端
机械设备
通信机柜
轨道交通
贝博艾弗森官网:贝博艾弗森官网 资讯
贝博艾弗森官网:公司贝博艾弗森官网
行业资讯
联系贝博艾弗森官网
联系方式
产品中心
>
产品中心
>
转舌锁
>
弹子锁
>
产品中心
转舌锁
管状锁
安必乐锁
叶片锁
弹子锁
子母锁
雕刻锁
魔术锁
自动售货机锁
美式自动售货机锁
日式自动售货机锁
寄存柜锁
投币锁
电子锁
转舌锁
密码锁
智能电子锁
感应锁
密码锁
指纹锁
机箱机柜锁/把手锁
机箱机柜锁
把手锁
锁芯/按压锁
锁芯
按压锁
电脑锁
台式电脑锁
电脑密码锁
笔记本电脑锁
门锁芯
办公家具锁
办公桌/柜锁
重型挂锁/报警锁
挂锁
报警锁
其他锁具
联系贝博艾弗森官网
贝博艾弗森官网科技有限公司
地址:福建省厦门市集美区灌口镇深青工业区后山头路29号
电话:0592-6360091
邮箱:sales@makelocks.com
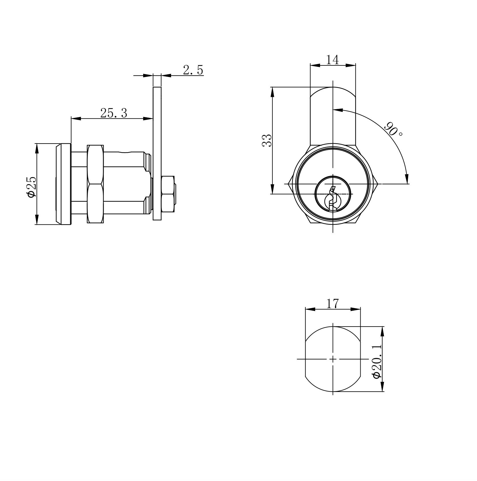
插芯弹子转舌锁舌片锁MK114-22
型号:MK114-22 材质:锌合金,铜 表面处理:亮铬、亮镍 钥匙牙花:10000以上 适用范围:智能终端,金融设备,机电设备,柜类,公用电话机,游戏机,地铁闸机,自动售货机,寄存柜
在线咨询
在线咨询
产品概述
型号:MK114-22
材质:锌合金,铜
表面处理:亮铬、亮镍
钥匙牙花:10,000以上
适用范围:智能终端,金融设备,机电设备,柜类,公用电话机,游戏机,地铁闸机,自动售货机,寄存柜,保险箱,广告箱,自动洗衣机,加油设备,机车,信箱和工具箱等。
特点:
1、铜材质,防水防锈
2、高安全弹子系统,手感顺畅
3、特殊的安装孔尺寸
4、可根据客户要求定制
上一篇:
贝博艾弗森官网:插芯弹子转舌锁舌片锁MK114-21
下一篇:
插芯弹子转舌锁舌片锁MK114-28
相关阅读:
贝博艾弗森官网:弹子转舌锁舌片锁MK114-20
贝博艾弗森官网:插芯弹子转舌锁舌片锁MK114-28
贝博艾弗森官网:插芯弹子转舌锁舌片锁MK114-21
贝博艾弗森官网:三面弹子转舌锁舌片锁MK114AS
贝博艾弗森官网:
关于贝博艾弗森官网
企业简介
发展历程
贝博艾弗森官网
资质荣誉
产品中心
转舌锁
自动售货机锁
寄存柜锁
智能电子锁
机箱机柜锁/把手锁
锁芯/按压锁
电脑锁
门锁芯
办公家具锁
贝博艾弗森官网
办公家居
自助终端
金融终端
机械设备
通信机柜
轨道交通
贝博艾弗森官网 资讯
公司贝博艾弗森官网
行业资讯
联系贝博艾弗森官网
联系方式
微信公众号
阿里巴巴店铺
贝博艾弗森官网:
贝博艾弗森官网
贝博艾弗森官网:
电话
贝博艾弗森官网:
短信
联系
var _hmt = _hmt || []; (function() { var hm = document.createElement("script"); hm.src = "https://hm.baidu.com/hm.js?25a8b6ddd6dc7b9a90aeb1f51e218aa6"; var s = document.getElementsByTagName("script")[0]; s.parentNode.insertBefore(hm, s); })();
星欧娱乐-科技赋能场景,让注册更有趣 - pgxo
悟空·(中国)体育官方网站-WOKONG SPORTS世界杯官网
3377体育赛事中心(官方网站入口)app下载安装·登录网页版
意昂3体育 -〈意昂3用心游戏,乐在其中〉
U8国际·(中国区)官方网站